Product Model And Meaning
| 38 | □ | A | 05 | – | 1000 | – | T | 3 | – | 2M |
| Contour of product | Size of main shaft,shaft hole | Outlet and sealing form | Outline structure | Resolution | Output form | Output signal | Cable | |||
| 38:φ38mm | □:φ6mm (默认 | A:side outlet rubber | 05:5 outline structure5 | 10,20,50, 60,100, 200,360, 400500, 600,800, 1000,1024, 1200,2000, 2048,2500, 3000,3600, 4096 | C: open collector output F:complementary output L:5V drive output A:24V drive outpu | 1:Phase A signal 2: phase AB signal 3:phase ABZ signal 4:phase ABA/B/ signal 6:phase ABZA/B/Z/ signal | Default 2m line,For non 2m, labelingis sufficient |
Wiring Table
| Line color | T output signal | – | Line color | L/A output signal |
| brown | VCC | brown | VCC | |
| blue | GND | |||
| blue | GND | |||
| black | A phase | |||
| black | A phase | white | B phase | |
| orange | Z phase | |||
| white | B phase | |||
| black red | Aphase | |||
| orange | Z phase | white red | Bphase | |
| orange red | Z phase | |||
| shield | F ·G | |||
| shield | F ·G |
Output Phase Difference
push pull output


longline drive output


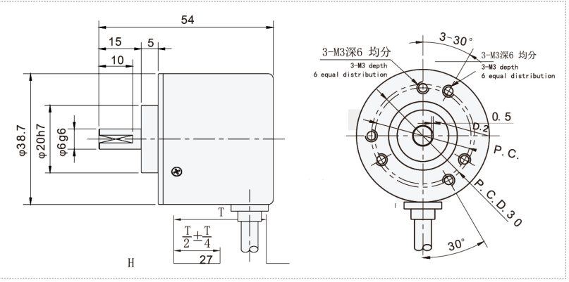
Mechanical Drawings(mm)









