Product Model And Meaning
| A | o | S | 50 | □ | A | G | 256 | c | C | 8 | 2M | |||
| Category of product | Type of product | Form of main shaft | Contour of product | Size of main shaft,shaft hole | Outlet and sealing form | Output Code | Resolution | Output form | Output signal | Cable | ||||
| A:Parallel absolute value | O:megneto- electricity | S:solid shaft | 50:φ50mm | □:φ6mm
| A:side outlet rubber | G:Gray code N:binary | 256,360, 512,720, 1024,2048, 4096 | C:NPN open collector output P:PNP open collector output | 8:8bit 9:9bit 10:10bit 12:12bit | Default 2m line,For non 2m,labeling is sufficient |
Wiring Table
| Line color | C/P output signal |
| red | VCC |
| black | 0V(COMMON) |
| brown | output 2° |
| orange | output 2¹ |
| yellow | output2² |
| green | output 2³ |
| blue | output2⁴ |
| purple | output 2⁵ |
| gray | output 2⁶ |
| white | output 2⁷ |
Output Phase Difference
Rotation direction: CW (turning right when viewed from the axis side)


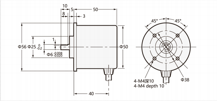
Mechanical Drawings(mm)









