Product Model And Meaning
| ENC | 1 | 1 | N | 24 | 2C | ||||
| Product category | Output phase | Minimum measurement unit | Output form | voltage | Cable length direction | ||||
| Wheel type | 1:AB two-phase | 1:1mm 2:1cm 3:1m 4:0.01yd 5:0.1yd 6:1yd | N:NPN open collector output T:push pull output | 5:5VDC±5% 24:12-24VDC±5% | Standard 2-meter cable C:Wiring lead out connector type |
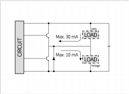
Map Of Circuit
The output circuits of each output phase are the same
push pull output


NPN collector open circuit output


Output Waveform
-When facing the axis,when rotating to the right,it is clockwise(CW).
-Phase difference between Aand B: ![]()
![]()


Mechanical Drawings(mm)


| Minimum measurement unit[/pulse] | The circumference of the roller | Number of pulse/l cycle the roller | Reduciton ratio | |
| 1mm | 250 mm | 250 | 1:1 | |
| 1cm | 100 | 4:1 | ||
| 1m | 1 | 4:1 | ||
| 0.01yd | 228.6 mm (0.25yd) | 100 | 4:1 | |
| 0.1yd | 10 | 4:1 | ||
| 1yd | 1 | 4:1 | ||







