Product Model And Meaning
| G | L | S | 45 | C | 1000 | C | 3 | 2M | |||
| Category of product | Type of product | Form of main shaft | Contour of product | Outlet and sealing form | Resolution | Output form | Output signal | Cable | |||
| G:incremental type | L:photoelec- tricity | S:solid shaft | 45:φ45mm | C:rear outlet | 10,20,50,60,100,200,360, 400,500,600,800, 1000,1024,1200,2000,2048,2500, 3000,3600,4096 | C: open collector output F: complementary output L:5V drive output | 1:phase A signal 2:phase AB signal 3:phase ABZ signal 4:phase ABA/B/ signal 6:phase ABZA/B/Z/ signal | Default 2m line,For non 2m, labeling is sufficient | |||
Wiring Table
| Line color | C/F output signal | – | Line color | Loutput signal |
| red | VCC | red | VCC | |
| black | GND | |||
| black | GND | |||
| green | A phase | |||
| green | A phase | white | B phase | |
| yellow | Z phase | |||
| white | B phase | |||
| pink | Aphase | |||
| yellow | Z phase | blue | Bphase | |
| orange | Z phase | |||
| shield | F ·G | |||
| shield | F ·G |
Output Phase Difference
complementary output/NPN collector open circuit output

long line drive output

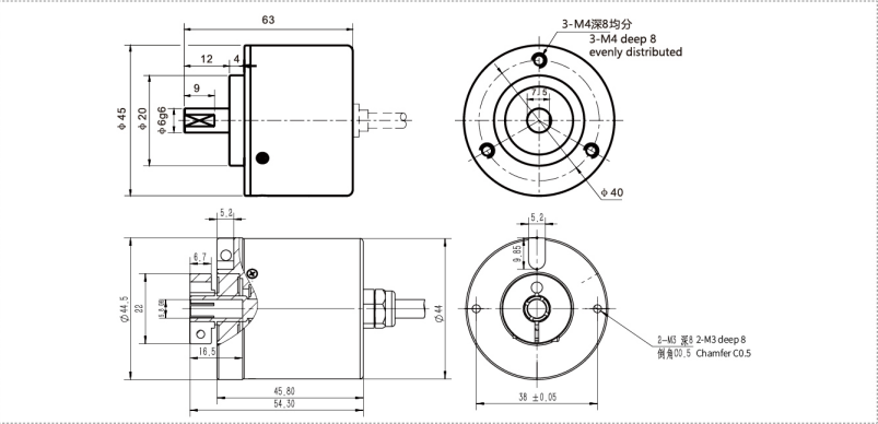
Mechanical Drawings(mm)










