Product Model And Meaning
| G | L | T | 80 | 30 | B | 1024 | L | 6 | 2M | |||
| Category of product | Type of product | Form of main shaft | Contour of product | Size of main shaft,shaft hole | Outlet and sealing form | Resolution | Output form | Output signal | Cable | |||
| G:incremental type | L:photoelec- tricity | T:Through- hole shaft | 80:φ80mm | 30:φ30mm 28:φ28mm 25:φ25mm 22:φ22mm 20:φ20mm | Bside outlet metal F:aviation side outlet | 100,200, 360,400, 500,600, 800,1000, 1024,1200, 2000,2048, 2500,4096 | C:open collector output F:complementary output L:5V drive output A:24V drive output | 1:phase A signal 2:phase AB signal 3:phase ABZ signal 4:phase ABA/B/ signal 5:ABZA/B/Z/ signal | Default 2m line,For non 2m, labeling is sufficient |
Wiring Table
| Line color | C/Foutput signal | Line color | L/A output signal | |
| red | VCC | red | VCC | |
| black | GND | |||
| black | GND | |||
| green | A phase | |||
| green | A phase | white | B phase | |
| yellow | Z phase | |||
| white | B phase | |||
| brown | Aphase | |||
| yellow | Z phase | gary | Bphase | |
| orange | Zphase | |||
| shield | F ·G | |||
| shield | F ·G |
Output Phase Difference
complementary output/NPN collector open circuit output


long line drive output


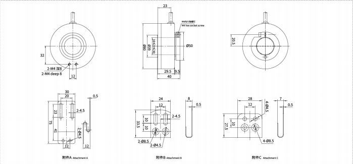
Mechanical Drawings(mm)









