Incremental Encoder

GOH38AO1 Slim Rotary Encoder 10000P/R | Nemicon OEM Replacement

Ultra-thin rotary encoder designed for PLC control and motor feedback systems. OEM replacement for Nemicon HES series, with anti-interference circuits and 10000P/R resolution.

Product Model And Meaning

G0H38011000              T30.7M
Category of

product

 Type of productForm of

main shaft

Contour of

product

Size of main shaft,shaft holeOutlet and

sealing form

Outline  structureResolutionOutput form输出信号

Outputsignal

电缆线 Cable
G:incremental

type

megneto-  electricityH:semi-

hollow shaft

38:φ38mm口:φ8mmA:rubber wire

protection

sleeve

01:outline

structure1

10,20,50,

60,100,

200360,

400,500,

600,800,

1000,1024,

1200,2000,

2048,2500,

3000,3600,

4096等

C:open collector  output

F:complementary output

L:5V drive output

1:phaseAsignal

2:phase AB signal

3:phase ABZsignal

4:phase ABA/B/ signal

5: phase ABZA/B/Z/ signal

Default

0.7m

line,For

non 0.7m,

labeling is

sufficient

Wiring Table

Line colorC/F output signalLine colorLoutput signal
redVCCredVCC
blackGND
blackGND
greenA phase
greenA phasewhiteB phase
yellowZ phase
whiteB phase
blueAphase
yellowZ phasegrayBphase
orangeZ phase
shieldF ·G
shieldF ·G

Output Phase Difference

complementary output/NPN collector open circuitoutput/push pull output

1 (1)

long line drive output

1 (3)

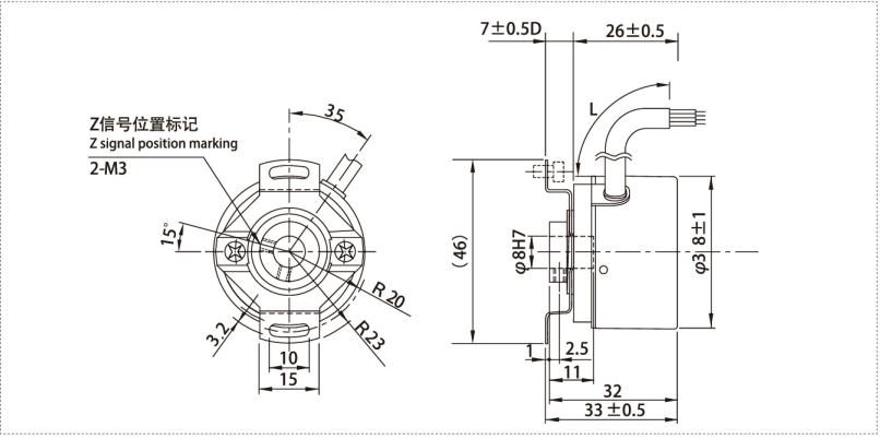
Mechanical Drawings(mm)

1 (2)