Product Model And Meaning
| G | 0 | H | 38 | □ | E | 600 | F | 3 | 2M | |||
| Category of product | Type of product | Form of main shaft | Contour of product | Size of main shaft,shaft hole | Outlet and sealing form | Resolution | Output form | Output signal | Cable | |||
| G:incremental type | O:megneto- electricity L:photoelec- tricity | H:semi- hollow shaft | 38:φ38mm | □:φ6mm | E:side outlet metal | 10,20,50, 60,100, 200,360, 400,500, 600,800 1000,1024,1 200,2000,20 48,2500,300 0,3600,5000 | C:open collector output F:complementary output T:push pull output L:5V drive output A:24V drive output | 1:phase Asignal 2:phase AB signal 3:phase ABZ signal 4: phase ABA/B/ signal 5:phase ABZA/B/Z/ signal | Default 2m line,For non 2m, labeling is sufficient |
Wiring Table
| Line color | C/F output signal | – | Line color | Loutput signal |
| red | VCC | red | VCC | |
| black | GND | |||
| black | GND | |||
| green | A phase | |||
| green | A phase | white | B phase | |
| yellow | Z phase | |||
| white | B phase | |||
| brown | Aphase | |||
| yellow | Z phase | gray | Bphase | |
| orange | Z phase | |||
| shield | F ·G | |||
| shield | F ·G |
Output Phase Difference
complementary output/NPN collector open circuitoutput/push pull output


long line drive output


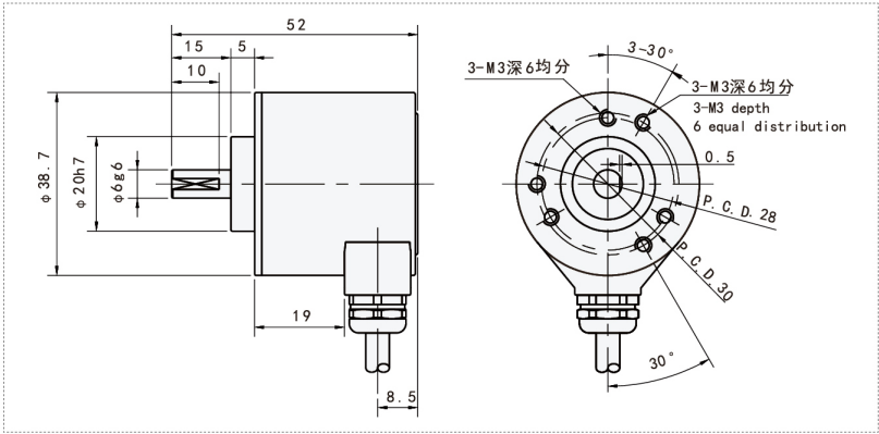
Mechanical Drawings(mm)









