Product Model And Meaning
| G | 0 | H | 50 | 口 | A | 01 | 1024 | T | 3 | 2M | ||||
| Category of product | Type of product | Form of main shaft | Contour of product | Size of main shaft,shaft hole | Outlet and sealing form | Outline structure | Resolution | Output form | Output signal | Cable | ||||
| G:incrementa type | 0: megneto- electricity | H:semi- hollow shaft | 50:φ50mm | 08:φ8mm | A:side outlet rubber | 01:outline structure 1 | 10,20,50, 60,100, 200,360, 400,500, 600,800, 1000,1024, 1200,2000, 2048,2500, 3000,3600, 4096 | T:push pull output L:5V drive output A:24V drive output | 1:phase Asignal 2:AB phase AB signal 3:phase ABZ signal 4:phase ABA/B/ signal 5:phase ABZA/B/Z/ signal | Default 2m line,For non 2m, labeling is sufficient | ||||
Wiring Table
| Line color | C/F/T output signal | Line color | L/A output signal | |
| brown | VCC | brown | VCC | |
| blue | GND | |||
| blue | GND | |||
| black | A phase | |||
| black | A phase | white | B phase | |
| orange | Z phase | |||
| white | B phase | |||
| shield | A phase | |||
| orange | Z phase | gray | B phase | |
| yellow | Z phase | |||
| shield | F ·G | |||
| shield | F ·G |
Output Phase Difference
push pull output


longline drive output


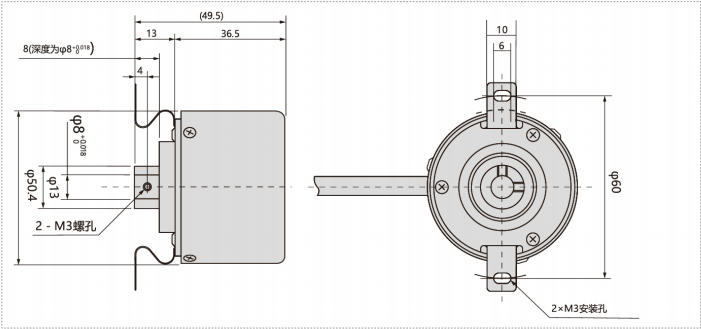
Mechanical Drawings(mm)









