Product model and meaning
| G | 0 | S | 58 | 10 | F | 05 | 500 | L | 6 | 2M | |||
| Category of product | Type of product | Form of main shaft | Contour of product | Size of main shaft,shaft hole | Outlet and sealing form | Outline structure | Resolution | Output form | Output signal | Cable | |||
| G:incremental type | L:photoelec- tricity | S:solid shaft | 58:φ58mm | 10:φ10mm | F:Side outlet plug | 05:outline structure 5 | 10,20,50, 60,100, 200,360, 400,500, 600,800, 1000,1024, 1200,2000, 2048,2500, 3000,3600, 5000 | T:push pulloutput L:5V drive output A:24V drive output | 1:phaseAsignal 2:phase ABsignal 3:phase ABZ signal 4:phase ABA/B/ signal 5:phase ABZA/B/Z/ signal | Default 2m line,For non 2m, labeling is sufficient |
Wiring Table
| Line color | Toutput signal | Line color | L/A output signal | 12 pin socket model | |
| brown | VCC | rown | VCC | 2.12 | |
| white | GND | 10,11 | |||
| white | GND | ||||
| green | A phase | 5 | |||
| green | A phase | gray | B phase | 8 | |
| blue | Z phase | 3 | |||
| gray | B phase | ||||
| yellow | Aphase | 6 | |||
| blue | Z phase | pink | Bphase | 1 | |
| red | Zphase | 4 | |||
| shield | F ·G | ||||
| shield | F ·G | F ·G |
Output Phase Difference
push pull output


longline drive output


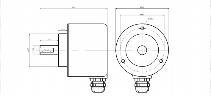
Mechanical Drawings(mm)









